Ридан 087H3807R — Контроллер ECL-3R 317 FC, напряжение питания 24V DC
Заявка на консультацию
×
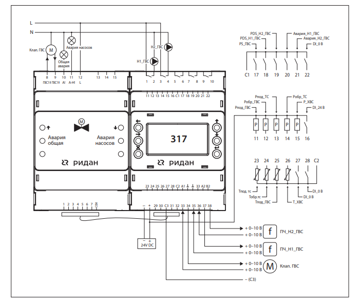
    Программируемые электронные регуляторы серии ECL-3R разработаны для автоматизации систем централизованного теплоснабжения. ECL-3R 317 FC представляет собой конфигурируемый контроллер с широкими возможностями для автоматизации системы коммунального горячего водоснабжения (ГВС). 
    Настройка и просмотр текущих значений параметров осуществляются через дисплей контроллера при помощи 6-кнопочной клавиатуры. ECL-3R 317 FC оснащен двумя портами RS-485, которые могут быть использованы для подключения к контроллеру визуальной панели оператора или для интеграции контроллера в систему диспетчеризации по протоколу Modbus RTU. Не используемые в выбранной конфигурации входы/выходы контроллера могут быть задействованы для мониторинга сигналов разного типа (температура, давление, аналоговые датчики обратной связи, цифровые входы). 
    В комплект поставки ECL-3R 317 FC входит модуль расширения.
ECL-3R 317 FC выполняет следующие функции:
- управление одним контуром ГВС, оснащенным (на выбор) импульсным или аналоговым (0–10 В) приводом регулирующего клапана;
- поддержка большого количества преднастроенных датчиков ГВС, холодного водоснабжения (ХВС) и теплосети на вводе;
- несколько режимов работы ГВС: экономный, комфортный, по расписанию, аварийный;
- возможность управления циркуляционными насосами от преобразователя частоты (ПЧ) (0–10 В) с регулированием по давлению или перепаду давления;
- различные варианты настройки датчиков перепада давления на циркуляционных насосах;
- автоматическое выравнивание наработок циркуляционных насосов;
- мониторинг и индикация наличия аварий;
- сценарии аварийной отработки обрыва датчиков температуры подачи и давления;
- возможность гибкой настройки свободных входов контроллера для локального и удаленного мониторинга;
- ручной режим управления оборудованием через интерфейс контроллера;
- поддержка сервиса Cloud Control.
Документация
Паспорт
Руководство
Сертификат
Инструкция
 Ридан 148H3362R — Корпус регулятора температуры масла ORV DN 80, PN 52, присоединение к трубопроводу — под сварку встык DIN107 864,79 ₽
Ридан 148H3362R — Корпус регулятора температуры масла ORV DN 80, PN 52, присоединение к трубопроводу — под сварку встык DIN107 864,79 ₽ Ридан 141R8621 — Компрессор спиральный RCM51E4LB7CA, индивидуальная упаковка, хладагент R404A, номинальное напряжение 380-420 В / 3 фазы / 50 Гц & 460 В /3 фазы / 60 Гц96 622,34 ₽
Ридан 141R8621 — Компрессор спиральный RCM51E4LB7CA, индивидуальная упаковка, хладагент R404A, номинальное напряжение 380-420 В / 3 фазы / 50 Гц & 460 В /3 фазы / 60 Гц96 622,34 ₽ Ридан BVR-CR 065B8302RG — Кран шаровой ГОСТ59553-2021 c наружной резьбой и насадкой под шланг PN10 DN25; Т -20 ℃ ...+95 ℃; материал корпуса латунь4 608,05 ₽
Ридан BVR-CR 065B8302RG — Кран шаровой ГОСТ59553-2021 c наружной резьбой и насадкой под шланг PN10 DN25; Т -20 ℃ ...+95 ℃; материал корпуса латунь4 608,05 ₽










